
盖斯米流体科技有限公司 是一家专业生产各种阀门的生产企业,产品有球阀,闸阀,截止阀止回阀等,我们为广大客户提供优质的自力式流量调节阀 产品。我们愿以先进的设计和制造、用户至上的服务意识,为广大用户提供优质的产品,满意的服务!
专业服务:
销售热线:18989767853
图文传真:0577-67977783
电子邮件:77413583@qq.com
在线服务:
自力式流量调节阀其特点有:
1、无需外加驱动能源的节能型自控系统.设备费用低;
2、结构简单.维护工作量小;
3、设定点可调且范围宽.便于用户在设定范围内连续调整流量;
4、指挥操作型较直接作用型动态响应快。精度高,可调比大;
5、阀内采用压力平衡机构,使调节阀反应灵敏、控制、允许压差大。
自力式流量调节阀型号
流量调节阀:V130D05(硬密封) V131D05(软密封)
1、无需外加驱动能源的节能型自控系统.设备费用低;
2、结构简单.维护工作量小;
3、设定点可调且范围宽.便于用户在设定范围内连续调整流量;
4、指挥操作型较直接作用型动态响应快。精度高,可调比大;
5、阀内采用压力平衡机构,使调节阀反应灵敏、控制、允许压差大。
阀内件特点:
1、内置波纹管,具有压力平衡结构,灵敏度高
2、结构紧凑,性能可靠,免于维护
3、采用标准模块化设计
4、通过组合件,可以进行多项组合控制
阀体类型: 直通式
阀盖形式: 标准型
散热型
流量特性: 快开
口径范围: DN15-300(1/2”-12”)
压力等级: PN1.6、4.0Mpa(ANSI 150、300LB)
泄漏等级: ASME B16.104 Ⅴ(软密封)
ASME B16.104 Ⅳ(硬密封)
管道连接方式: 法兰式
设定值偏差: ±4%
适用温度范围: -30° ~ 350°
执行机构类型: 薄膜式执行机构(自力式)
活塞式执行机构(自力式)
自力式流量调节阀性能指标
| 公称通径DN | 15 | 20 | 25 | 32 | 40 | 50 | 65 | 80 | 100 | 125 | 150 | 200 | 250 | |
| 额定流量系数Kvs | 4 | 6.3 | 8 | 16 | 20 | 32 | 50 | 80 | 125 | 160 | 280 | 320 | 400 | |
| 有效压力下流量(m3/h) | 0.02MPa | 1.5 | 2.5 | 3.5 | 5.5 | 9.0 | 14 | 22 | 36 | 55 | 70 | 125 | 180 | 250 |
| 0.05 MPa | 2.5 | 3.5 | 5.5 | 9.0 | 12 | 22 | 36 | 55 | 85 | 110 | 180 | - | - | |
| 噪音衡量系数Z值 | 0.6 | 0.6 | 0.6 | 0.55 | 0.55 | 0.5 | 0.5 | 0.45 | 0.4 | 0.35 | 0.3 | 0.2 | 0.2 | |
| 允许压差△P(MPa) | PN16 | 1.6 | 1.5 | 1.2 | 1.0 | |||||||||
| PN40 | 2.0 | |||||||||||||
| 公称压力MPa | 1.6;4.0 | |||||||||||||
| 控制精度 | ±4% | |||||||||||||
| 泄露率 | 硬密封:4x10*-4阀额定容量;软密封:≤40气泡/分钟 | |||||||||||||
| 工作温度 ℃ | 软密封≤140 | |||||||||||||
| 硬密封配隔离罐≤200 | 配隔离罐加长件≤200 | |||||||||||||
| 压力平衡元件 | 波纹管 | 滚动膜片 | ||||||||||||
| 阀体材质 | WCB,CF8,CF3 | |||||||||||||
| 阀芯材质 | 不锈钢,软密封为不锈钢镶嵌橡胶圈 | |||||||||||||
| 工作压力 | 4.0MPa | |||||||||||||
自力式流量调节阀执行机构参数
| 有效面积(cm2) | 250 | 630 |
| 有效压力(MPa) | 0.02;0.05 | |
| 允许上下膜室之间压差(MPa) | 0.4 | 0.15 |
| 材质 | 膜盖:钢板镀锌;膜片:EPDM或FKM夹纤维 | |
| 控制管线、接头 | 铜管或钢管 | |
自力式流量调节阀外形尺寸(mm)
| 公称通径 | 15 | 20 | 25 | 32 | 40 | 50 | 65 | 80 | 100 | 125 | 150 | 200 | 250 |
| L | 130 | 150 | 160 | 180 | 200 | 230 | 290 | 310 | 350 | 400 | 480 | 600 | 730 |
| B | 121 | 212 | 238 | 238 | 240 | 240 | 275 | 275 | 380 | 380 | 295 | 325 | 372 |
| R | 263 | 380 | |||||||||||
| H | 150 | 520 | |||||||||||
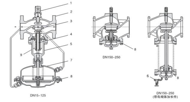
| 结构简图 | |||||||||||||||
| 1 | 2 | 3 | 4 | 5 | 6 | 7 | 8 | 9 | 10 | 11 | 12 | 13 | 14 | 15 | 16 |
| 阀体 | 阀座 | 阀杆 | 阀前压力 P1导压管 | 平衡波 纹管 | 行程 显示器 | 膜片 | 弹簧 | 操作压力 Ps导压管 | 阀后压力 P2导压管 | 指挥器 | 指挥阀芯 | 弹簧 | 波纹管 | 调节螺钉 | 可调针阀 |
| XG | -300 | -ZY | -D01 | -C1 | -15 | |||||
| >1.雄工牌 | >2.系列型号 | >3.控制形式 | >4.作用方式 | >5.连接方式 | >6.公称通径 | |||||
| -16 | -P4 | -Y | -W1 | -B1 | -K | |||||
| >7.公称压力 | >8.阀体材质 | >9.密封材质 | >10.介质温度 | >11.附件选项 | >12.流量特性 |
| 1代号 | 4代号 | 作用方式 | 5代号 | 连接方式 | |||
| XG | 雄工牌 | D01 | 阀后稳定 | C1 | 内螺纹 | ||
| D02 | 阀前泄压 | C2 | 法兰 | ||||
| D03 | 差压上升阀关 | ||||||
| D04 | 差压上升阀开 | ||||||
| 2代号 | 系列型号 | D12 | 指挥器阀后 | ||||
| 300 | 自力式调节阀 | D13 | 指挥器阀前 | 其他连接方式可根据客户要求设计制作 | |||
| L01 | 流量调节 | ||||||
| T01 | 温度(加热型) | 6代号 | 公称通径 | ||||
| T02 | 温度(冷却型) | 15 | 15mm | ||||
| 3代号 | 控制形式 | W01 | 微压型 | 20 | 20mm | ||
| ZY | 自力式压力 | W02 | 双膜片微压型 | 25 | 25mm | ||
| ZC | 自力式压差 | P/N/M | 压力调节 | 32 | 32mm | ||
| ZL | 自力式流量 | 40 | 40mm | ||||
| ZW | 自力式温度 | 50 | 50mm | ||||
| ZZ | 自力式组合 | ||||||
| 7代号 | 公称压力 | 9代号 | 密封形式 | 11代号 | 附件选项 | ||
| 16 | 16bar | Y | 硬密封 | B1 | 指挥器 | ||
| 40 | 40bar | R | 软密封 | B2 | 冷却罐 | ||
| 64 | 64bar | B3 | 散热片 | ||||
| B4 | 冷却罐+散热片 | ||||||
| B5 | 加长件 | ||||||
| B6 | 组合件 | ||||||
| 其他特殊压力可根据客户要求制作 | B7 | 行程显示器 | |||||
| 8代号 | 阀体材质 | B8 | 手操机构 | ||||
| Q | 铸铁HT200 | 10代号 | 介质温度 | ||||
| C | 铸钢WCB | W1 | ≤150℃ | ||||
| P4 | 不锈钢304 | W2 | ≤200℃ | ||||
| P6 | 不锈钢316L | W3 | ≤350℃* | ||||
| 12代号 | 流量特性 | ||||||
| K | 快开 | ||||||
| 其它特殊阀体材质可定做 | *表示仅当介质为蒸汽有效且阀体需选用PN40 | ||||||
