
盖斯米流体科技有限公司 是一家专业生产各种阀门的生产企业,产品有球阀,闸阀,截止阀止回阀等,我们为广大客户提供优质的对夹式多层次金属硬密封蝶阀 产品。我们愿以先进的设计和制造、用户至上的服务意识,为广大用户提供优质的产品,满意的服务!
专业服务:
销售热线:18989767853
图文传真:0577-67977783
电子邮件:77413583@qq.com
在线服务:
由于本产品蝶阀采用的是三维偏心原理设计,使密封面的空间运动轨迹达到理想化,密封副相互之间无摩擦、无干涉,加之密封材料选择得当,从而使蝶阀的密封性、耐腐蚀性、耐高温性和耐磨性等得到了可靠的保证。其主要特点如下:
1、 开启力矩小,灵活方便,省力节能;
2、 三维偏心结构,使蝶板越关越紧,其密封性能可靠,达到无泄漏;
3、 耐高压、耐腐蚀、耐磨损、使用寿命长等。
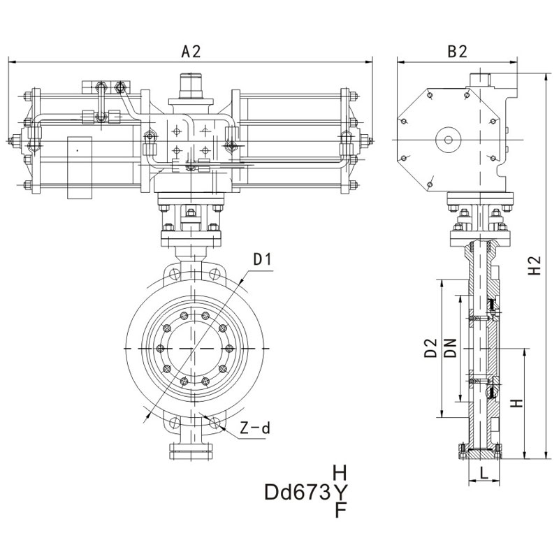
三偏心多层次金属硬密封蝶阀产品结构:多层次硬密封蝶阀系列产品,系我公司新开发的长寿命、节能型蝶阀。其结构采用三维偏心原理设计,阀座采用硬软密封兼容的多层次结构,加工精湛,工艺先进。本产品由阀体、蝶板、多层次阀座、阀杆、传动机构等主要部件组成。


